您當前的位置:首頁 / Kaiyun体育全站登录入口
SWC CH型(長伸縮焊接型)整體(ti) …
SWC DH型(短伸縮焊接型)整體(ti) …
SWC WD型(無伸縮短型)整體(ti) 叉…
SWC WF型(無伸縮法蘭(lan) 型)整體(ti) …
SWC WH型(無伸縮焊接型)整體(ti) …
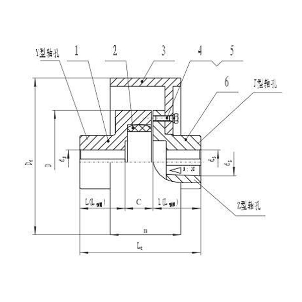
LT(TL)型彈性套柱銷聯軸器
LTZ(TLL)型帶製動輪彈性套柱…
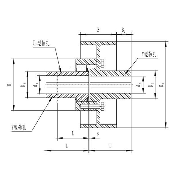
LX(HL)型彈性柱銷聯軸器LXZ(…
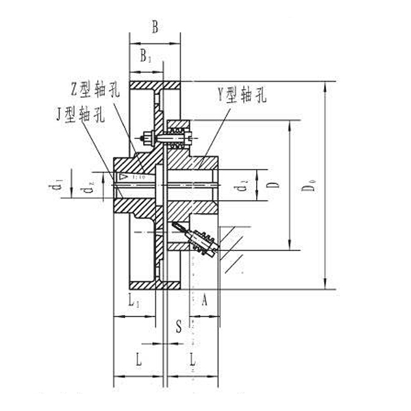
LZZ型帶製動輪彈性柱銷齒式聯…
LZ型彈性柱銷齒式聯軸器
LM(ML)型梅花形彈性聯軸器
LMZ-I型帶製動輪梅花形聯軸器
在新時代,有著新的挑戰,开云平台官方下载地址本著“以質量求生存,以服務求發展”的企業(ye) 理念,繼續奮進,不斷創新
在線留言
开云国际网站
手機網站
Copyright © 2019 开云国际网站 版權所有. All Right Reseved 主營產(chan) 品:脹套、蛇形聯軸器、kaiyun体育平台安全 網站地圖