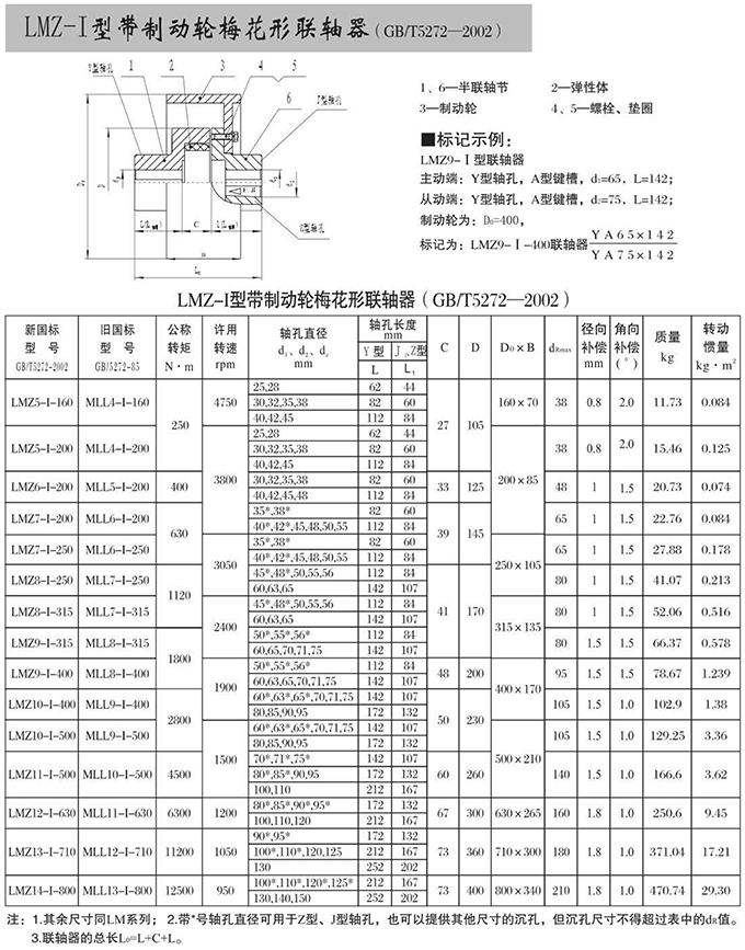
LMZ-I型帶製動輪梅花形聯軸器

您當前的位置:首頁 / Kaiyun体育全站登录入口 / 蛇形聯軸器係列 / LMZ-I型帶製動輪梅花形聯軸器

Kaiyun体育全站登录入口

LMZ-I型帶製動輪梅花形聯軸器

LMZ-I型帶製動輪梅花形聯軸器

开云国际网站提供LMZ-I型帶製動輪梅花形聯軸器具有拆裝方便,快速安裝等特點,廣泛用於(yu) 連接/固定輪轂孔和零件的軸,例如齒輪,錐齒輪,鏈輪,葉輪,凸輪,皮帶輪和飛輪等軸的聯結固定,谘詢電話:18906872378

  • 質量穩定:實行全過程質量監控,細致入微,各方麵檢測!
  • 價格合理:有效內部成本控製,減少了開支,讓利於客戶!
  • 交貨快捷:先進生產流水線,充足的備貨,縮短了交貨期!
  • 熱線

產(chan) 品詳情

相關(guan) 信息

是否需要更多幫助?

在新時代,有著新的挑戰,开云平台官方下载地址本著“以質量求生存,以服務求發展”的企業(ye) 理念,繼續奮進,不斷創新

在線留言

尋找可靠的閥門配件來豐富您的產品線,如果有任何疑問歡迎留言谘詢

开云国际网站

Ruian Baodelong Machinery Parts Co., Ltd
  • 瑞安市育英街149號
  • 18906872378
  • 0577-66500576
  • 908357438@qq.com

手機網站